| Товар | Цена | Всего |
|---|
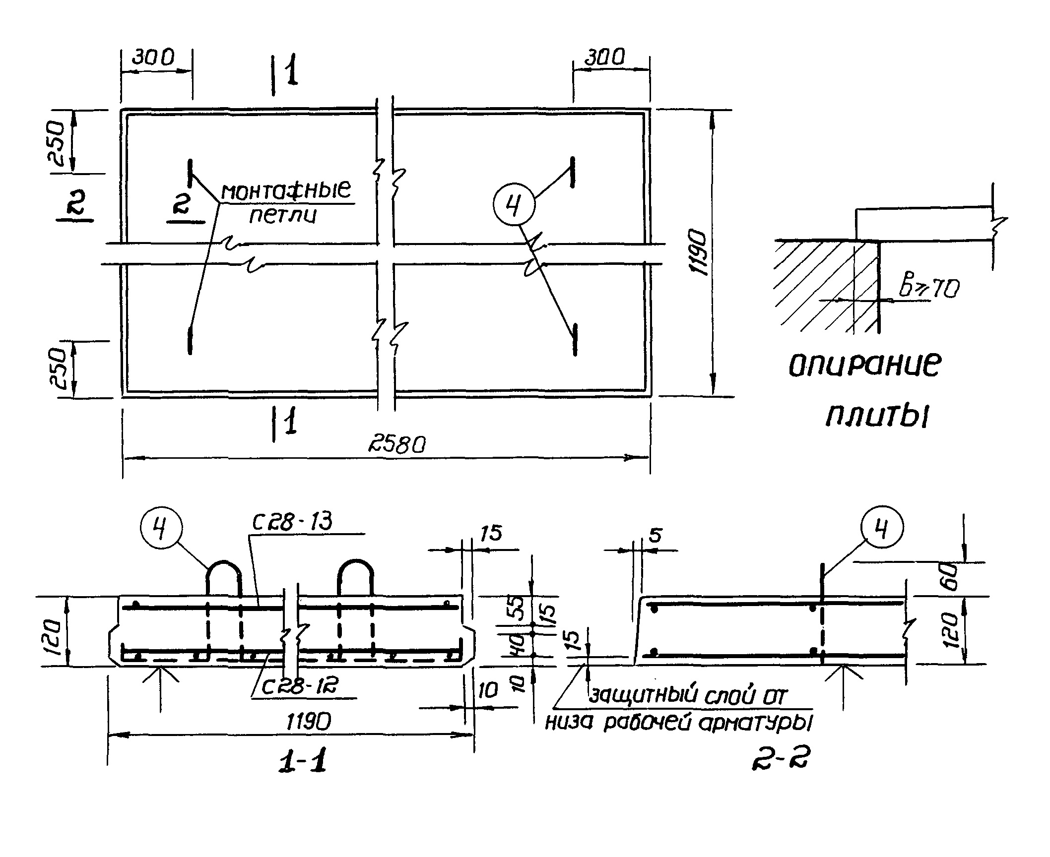
| Длина,мм: | 2580 |
|---|---|
| Ширина,мм: | 1190 |
| Высота,мм: | 140 |
| Масса, кг: | 760 |
| Геометрический объём,м3: | 0,424 |
| Объём бетона, м3: | 0,43 |
| Марка бетона на прочность: | М200 |
| ГОСТ, Серия: | Серия ИИ-03-02 |
Полнотелые плиты перекрытия широко используются в сфере строительства для перекрытия железобетонных тоннелей и каналов в жилых общественных зданиях, производственных помещениях. При помощи них можно перекрыть каналы, которые идут по поверхности или углублены на шесть метров.
Маркировка:
1. ПТП - тип конструкции - плита плоская;
2. 26 - длина (дм);
3. 12 - ширина (дм).
