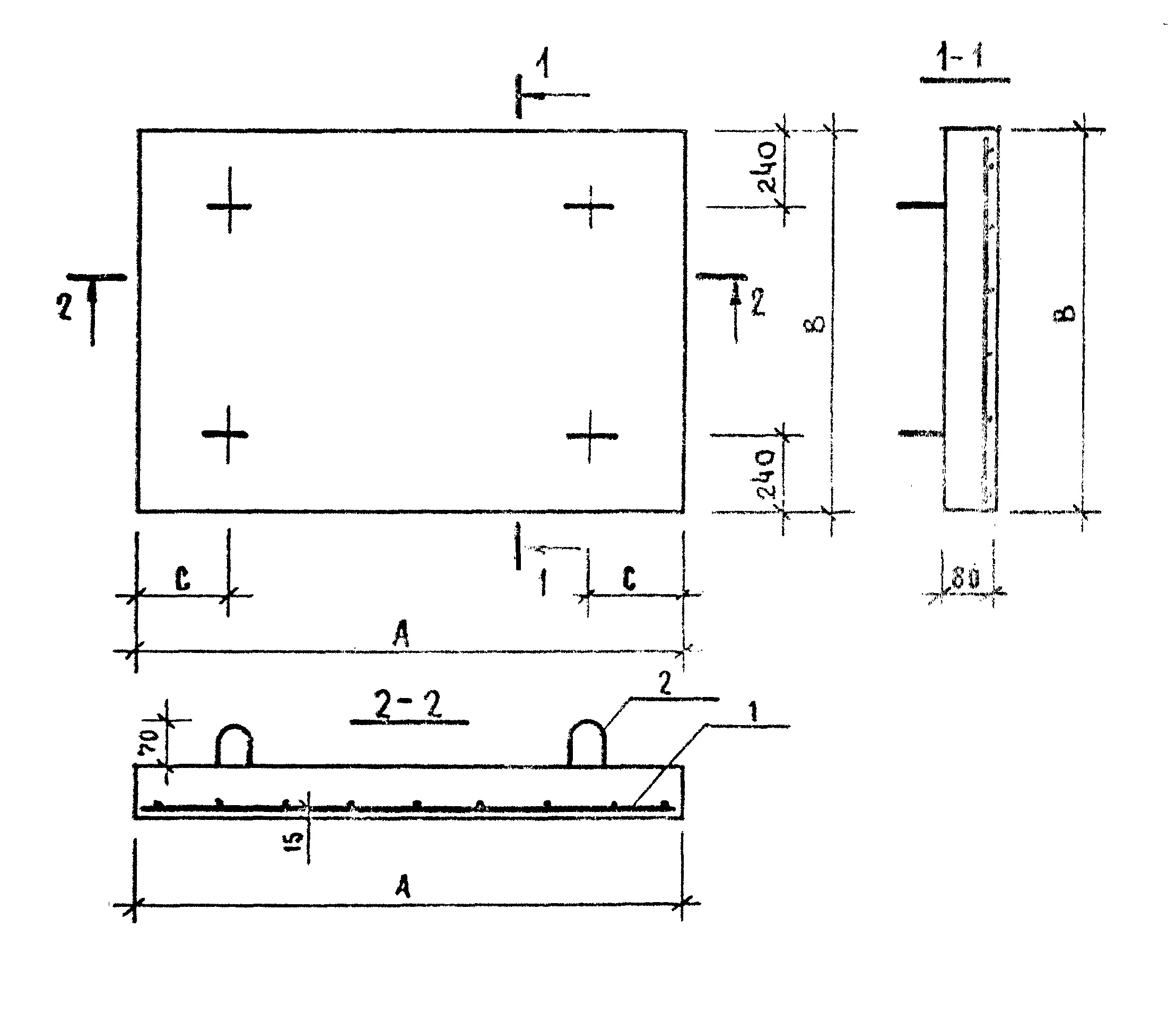
| Товар | Цена | Всего |
|---|
| Длина,мм: | 1600 |
|---|---|
| Ширина,мм: | 1400 |
| Высота,мм: | 80 |
| Масса, кг: | 448 |
| Геометрический объём,м3: | 0,179 |
| Объём бетона, м3: | 0,179 |
| Марка бетона на прочность: | М200 |
| ГОСТ, Серия: | Серия 1.243.1-4 |
Плита железобетонная плоская ПТ 12,5-16-14 используется для покрытия разнообразных коммуникаций подпольных каналов. Коммуникационные каналы имеют техническое назначение и располагаются практически под любым зданием или под помещениями общественного использования и им необходима надежная и долговременная защита. При помощи плиты перекрытия имеется возможность организовать удобную прокладку трубопроводов, каналов и трасс разного назначения.
Маркировка:
1. ПТ - индекс плит покрытия подпольных каналов;
2. 12,5 - величина расчетной нагрузки в сотнях кгс на 1м2;
3. 16 - длина (дм);
4. 14 - ширина (дм).
