| Товар | Цена | Всего |
|---|
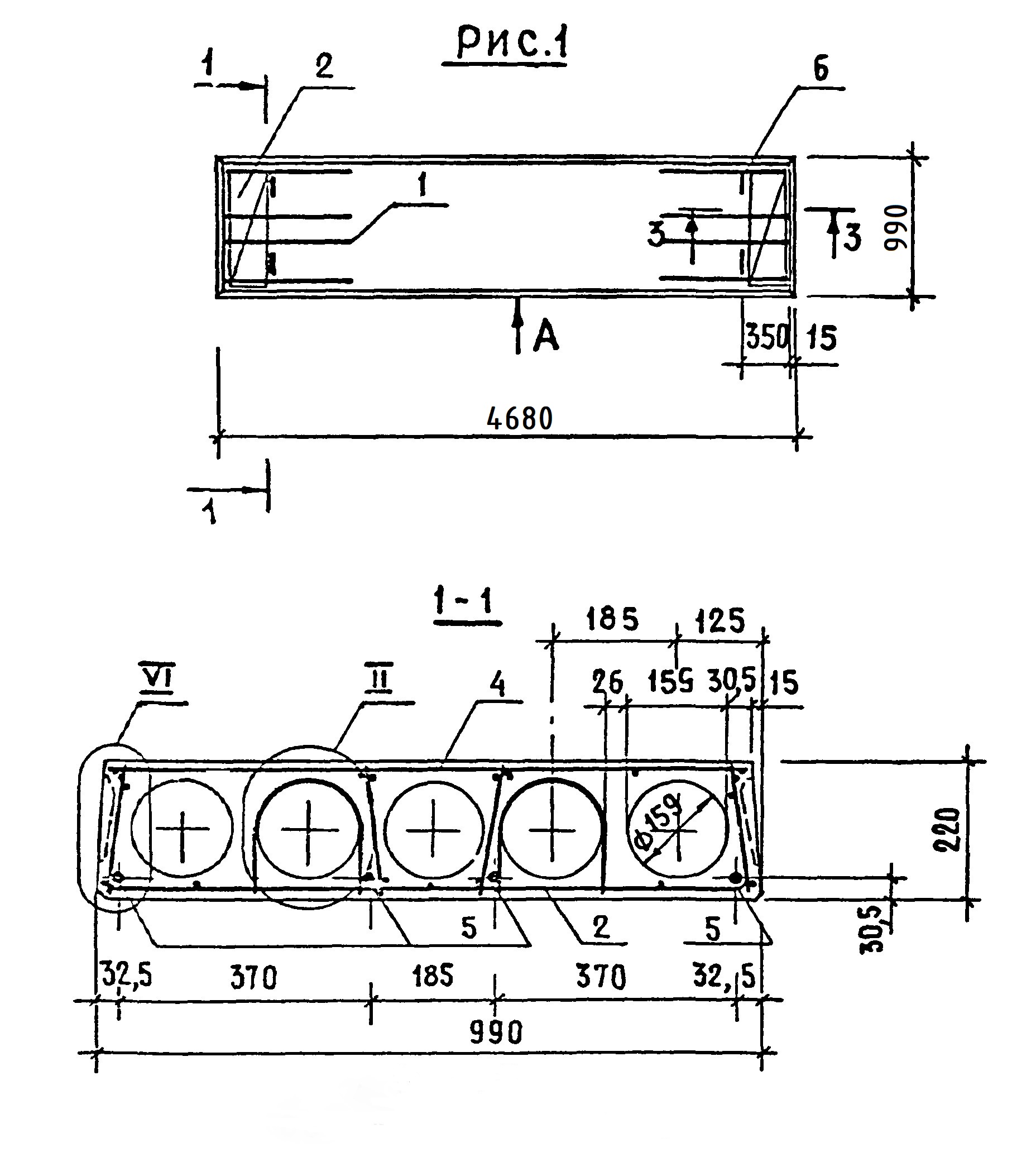
| Длина,мм: | 4680 |
|---|---|
| Ширина,мм: | 990 |
| Высота,мм: | 220 |
| Масса, кг: | 1365 |
| Геометрический объём,м3: | 1,02 |
| Объём бетона, м3: | 0,546 |
| Марка бетона на прочность: | М200 |
| ГОСТ, Серия: | Серия 1.141-1-63 |
Плиты многопустотные применяются при строительстве жилых зданий и общественных сооружений, административно-бытовых построек и производственных предприятий в качестве элементов межэтажных перекрытий.
Маркировка:
1. ПК - тип изделия - плита перекрытия многопустотная;
2. 47 - длина (дм);
3. 10 - ширина (дм);
4. 8 - условная несущая способность в кПа;
5. AV - класс напрягаемой арматуры.
Готовые конструкции принимаются техническим контролем предприятия-изготовителя. Изделия подвергаются испытаниям по показателям прочности, раскрытия трещин, жесткости, оцениваются так же их прямолинейность, толщина защитного слоя бетона до арматуры, внешний вид, точность геометрических размеров. По итогам приемки плиты сопровождаются паспортами качества установленного образца.
