| Товар | Цена | Всего |
|---|
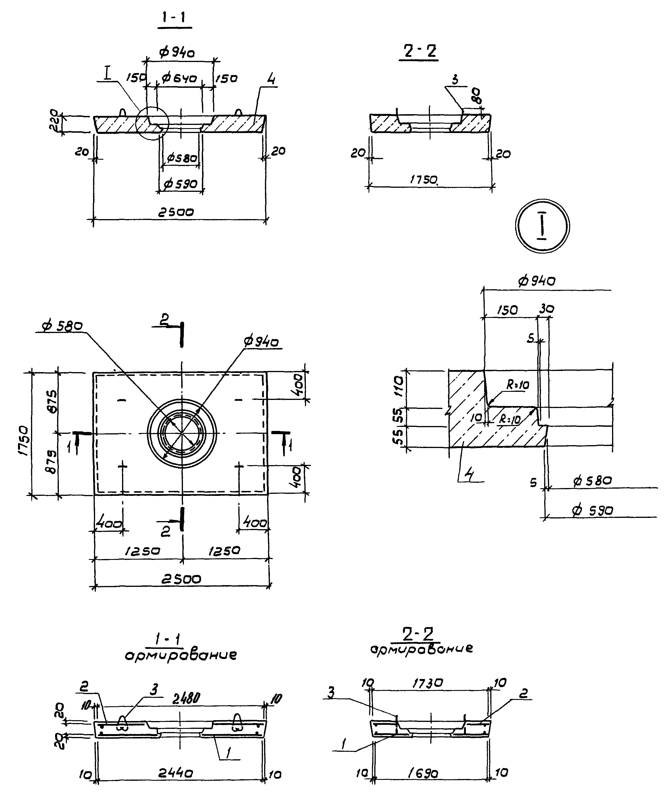
| Длина,мм: | 2500 |
|---|---|
| Ширина,мм: | 1750 |
| Высота,мм: | 220 |
| Масса, кг: | 2100 |
| Геометрический объём,м3: | 0,963 |
| Объём бетона, м3: | 0,963 |
| Марка бетона на прочность: | М250 |
| ГОСТ, Серия: | Серия 3.900.1-14 |
Плита дорожная ПД6 - это высокопрочное изделие на основе армированного бетона, с отверстием внутри, предназначенным для вставки в него чугунного или полимерно-песчаного люка. ПД6 используется при строительстве водопроводных и канализационных колодцев, устанавливаемых на проезжих частях городских и областных автомагистралей.
Маркировка:
1. ПД - тип изделия - плита дорожная;
2. 6 - диаметр отверстия (дм).
