| Товар | Цена | Всего |
|---|
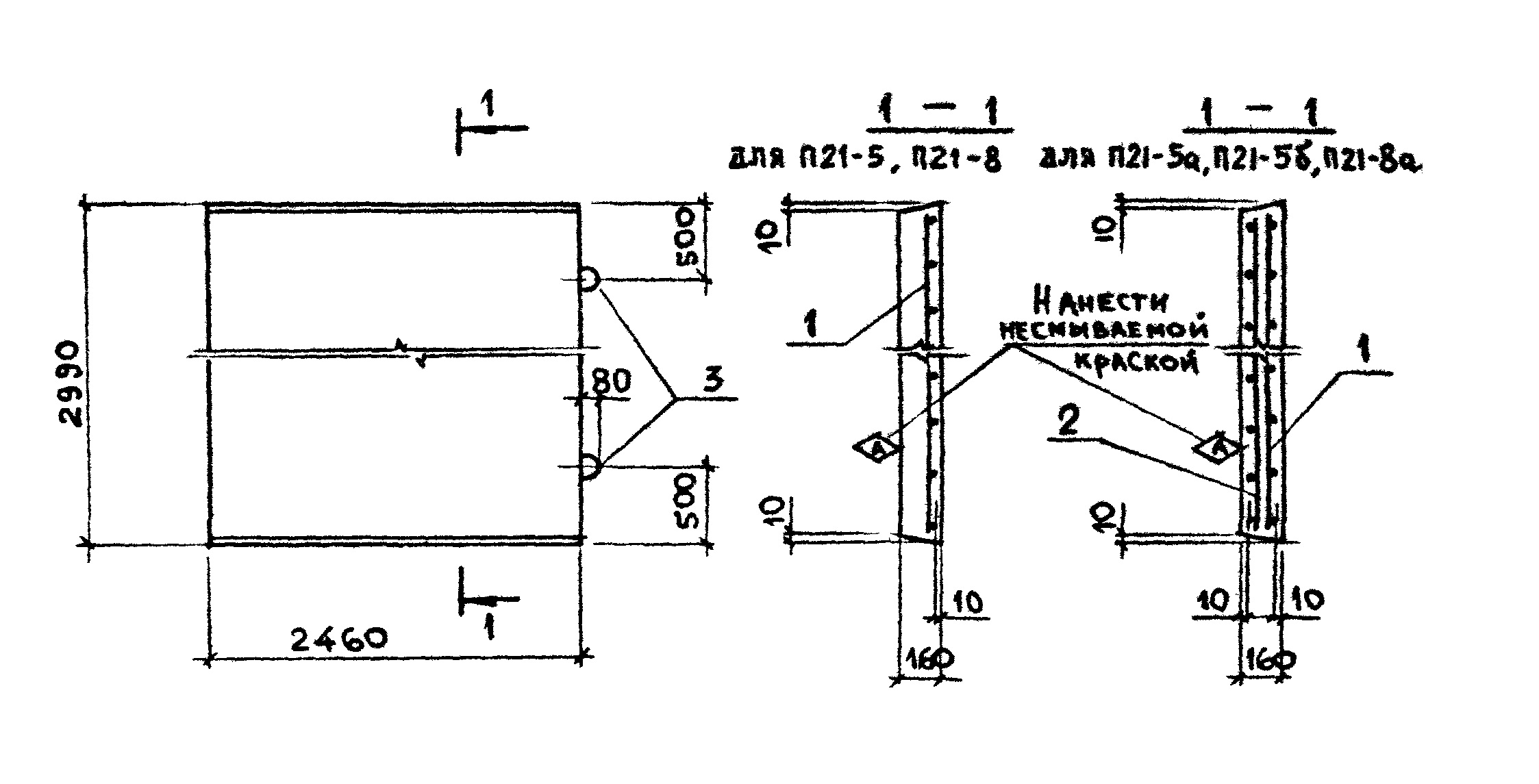
| Длина,мм: | 2990 |
|---|---|
| Ширина,мм: | 2460 |
| Высота,мм: | 160 |
| Масса, кг: | 2940 |
| Геометрический объём,м3: | 1,18 |
| Объём бетона, м3: | 1,18 |
| Марка бетона на прочность: | М350 |
| ГОСТ, Серия: | Серия 3.006.1-2/87 |
Плита П 21-8 представляет собой железобетонную плиту прямоугольной формы, предназначенную для перекрытия водосточных и канализационных каналов, собранных из лотков. Благодаря высокой прочности железобетонной плиты перекрытия обеспечивается максимальная сохранность проложенных коммуникаций в теплотрассах при движениях грунта и иных деформациях.
Маркировка:
1. П - вид изделия - плита перекрытия канала;
2. 21 - порядковый номер изделия;
3. 8 - вертикально равномерно - распределенная эквивалентная расчётная нагрузка (тс/м2).
