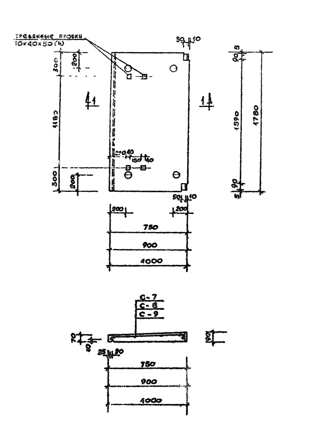
| Товар | Цена | Всего |
|---|
| Длина,мм: | 1780 |
|---|---|
| Ширина,мм: | 750 |
| Высота,мм: | 90 |
| Масса, кг: | 275 |
| Геометрический объём,м3: | 0,12 |
| Объём бетона, м3: | 0,11 |
| Марка бетона на прочность: | М200 |
| ГОСТ, Серия: | Серия 1.138-3 |
Плиты карнизные предназначены для отделения плоскости крыши от боковой поверхности стены в зданиях возводимых преимущественно в сельской местности. Рекомендовано их применение при проектировании жилых зданий с высотой до 4-х этажей и общественных зданий, имеющих максимум три этажа. Плиты карнизные рассчитаны на применение при обустройстве крыш в малоэтажных зданиях при возведении которых запроектированы кирпичные или крупноблочные стены. Они применимы для обустройства кровли стропильной конструкции, а также совмещённых не вентилируемых и вентилируемых крыш.
Маркировка:
1. АК – тип изделия - карнизная плита;
2. 18 – округлённая длинна выраженная в дециметрах;
3. 8 – ширина плиты выраженная в дециметрах.
