| Товар | Цена | Всего |
|---|
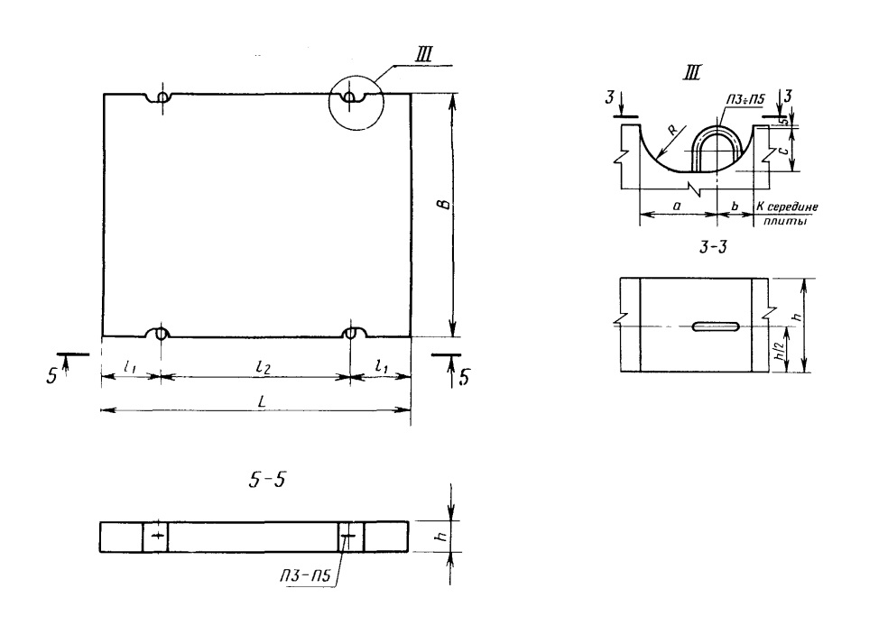
| Длина,мм: | 3000 |
|---|---|
| Ширина,мм: | 1750 |
| Высота,мм: | 170 |
| Масса, кг: | 2200 |
| Геометрический объём,м3: | 0,89 |
| Объём бетона, м3: | 0,88 |
| Марка бетона на прочность: | М400 |
| ГОСТ, Серия: | Гост 21924.0-84 |
Плита дорожная - это железобетонное изделие, предназначенное для строительства покрытий автомобильных дорог, а также площадок различного назначения.
Маркировка:
1. 1 - особенность предназначения изделия - плита для постоянных дорог;
2. П - тип изделия - железобетонная плита;
3. 30 - длина (дм);
4. 18 - ширина (дм);
5. 10 - максимальная расчетная нагрузка (т).
