| Товар | Цена | Всего |
|---|
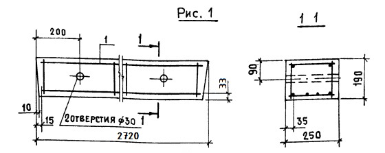
| Длина,мм: | 2720 |
|---|---|
| Ширина,мм: | 250 |
| Высота,мм: | 190 |
| Масса, кг: | 323 |
| Геометрический объём,м3: | 0,129 |
| Объём бетона, м3: | 0,129 |
| Марка бетона на прочность: | М200 |
| ГОСТ, Серия: | Серия 1.038.1-1 |
Перемычка - конструктивный элемент, применяемый для перекрытия дверных, оконных проёмов в стене и воспринимающих нагрузку от вышерасположенной конструкции.
Брусковый вид (ПБ) – наиболее используемые изделия в строительной сфере. Изделия используют в несущих и ненесущих конструкциях. Продукцию применяют в кирпичных строениях, зданиях из керамического камня, мелкоблочных конструкциях.
Маркировка:
1. 10 - типоразмер поперечного сечения - 250х190 мм;
2. ПБ - тип изделия - перемычка брусковая;
3. 27 - длина (дм);
4. 37 - расчётная нагрузка с учётом собственного веса (кН/м);
